湖南省大学生研究性学习和创新性实验计划
如果您无法在线浏览此 PDF 文件,则可以
下载免费小巧的 福昕(Foxit) PDF 阅读器,安装后即可在线浏览 或
下载免费的 Adobe Reader PDF 阅读器,安装后即可在线浏览 或
下载此 PDF 文件
项目名称:缓解热岛效应的低吸热路面功能指标
同步测试方法
项目编号: 3010101-1009
学生姓名: 朱航、颜钰婷、张磊、郑伟、左瑞芳
所在学校和院系:304永利集团官网入口交通运输工程学院
项目实施时间: 2014年03月-2015年12月
指导教师: 钱国平
联系电话: 15675128420
填表日期: 2015年12月
湖 南 省 教 育 厅
2014年制
一、基本情况
项目名称
|
缓解热岛效应的低吸热路面功能指标同步测试方法
|
立项时间
|
2014年3月
|
完成时间
|
2015年12月
|
项
目
主
要
研
究
人
员
|
序号
|
姓 名
|
学号
|
专业班级
|
所在院(系)
|
项目中的
分 工
|
1
|
朱 航
|
201310010214
|
道路卓越1301班
|
交通运输工程学院
|
统筹项目
|
2
|
颜钰婷
|
201310010202
|
道路卓越1301班
|
交通运输工程学院
|
理论分析、报告撰写
|
3
|
张 磊
|
201321030221
|
汽机机制1302班
|
汽车与机械工程学院
|
资料处理、模型设计与编程
|
4
|
郑 伟
|
201209020110
|
道路卓越1201班
|
交通运输工程学院
|
理论分析、资料处理
|
5
|
左瑞芳
|
201214020113
|
道路卓越1201班
|
交通运输工程学院
|
仪器设计分析、资料处理
|
二、研究成果简介
项目研究的目的、意义;研究成果的主要内容、重要观点或对策建议;成果的创新特色、实践意义和社会影响;研究成果和研究方法的特色。限定在2000字以内。
1 项目研究和实验目的及意义
在全球气候变暖和高速城市化的大背景下,世界上许多城市都出现了高强度的城市热岛效应,城市热环境质量日趋恶化极大地影响着城市生态环境和城市居民的日常生活。城市地表结构物是城市热岛效应的主要影响因素之一,而路面作为最主要的城市地表结构物对城市热岛效应的影响尤为显著。开展具有降温效果显著、成本低且施工方便等优点的沥青路面太阳热反射涂层及沥青路面结构的研究开始得到重视。
本项目研究出的一套路面材料光热性能测定装置及方法,可以很大程度上模拟真实环境,进行低吸热路面功能指标定量测量,为国内外开发提高路面表层材料对热辐射的反射率、增强道路结构对热辐射传导的低吸热路面提供定量评价指标,以有效分析城市道路交通热环境的影响及评价新型低吸热路面降温效果的优劣,缓解城市热岛效应。
项目研究和实验的目的是:
u 分析比较国内外有关表征材料热学性能的指标,确定出可用于低吸热路面的功能指标,提出城市道路地表热环境影响因素及定量评价体系;
u 在国内外相关研究成果基础上,针对所确定的低吸热路面的功能指标,分析不同测试方法的共性和优劣,开发可以同时对多种低吸热路面功能指标进行测量的简易测试方法;
u 根据测试方法设计一种可以用于实验室测量的路面材料光热性能同步测量装置,解决单项测试低吸热路面不同功能指标时环境条件差异和效率低下的问题,从而简化低吸热路面功能指标的测试过程。
2 研究成果的主要内容
2.1 城市道路地表热环境影响因素及定量评价体系
对典型城市道路路基路面材料温缩及热传导性能实地调研测试,建立模型分析城市道路地表热环境状况及其对外在影响变化规律。
图1 路面基层材料温度收缩系数
图2 路面基层材料湿度收缩系数
图3 路面面层结构温度热传导性能测试
图4 相应的路表温度与湿度测试结果
图5 不同环境条件下相关路面温度随深度变化情况
图6 通常环境条件下路面温度场时空变化情况
结合实地调研结果,比较国内外有关表征材料热学性能的指标,确立了以降温效果、太阳热反射率、太阳反射比、导热系数、导温系数5种功能指标评价低吸热路面热环境的变化规律及因沥青路面造成周边增温的状况。并从结构传热和热反射性能不同途径分析构建低吸热路面的思路,比较低吸热路面功效的影响因素和功能指标,推演路面热环境定量计算方法,确定了低吸热路面功能性的定量评价指标体系。
2.2 低吸热路面功能性指标的测试方法
针对确定的5项热物性相关指标,综合各个指标在各个行业的不同测试方法,分析确认适合城市道路路面功能性测试方法。方法见《附件一:低吸热路面功能性指标测试方法》。
2.3 低吸热路面功能性多指标的同步测试装置
分析整合上述测试方法,设计可以模拟室外不同环境条件下同步测量上述5项低吸热路面功能性多指标体系的路面材料光热性能测定装置,实现多指标体系相同条件下的高效测定,为低吸热路面的开发与应用提供测试手段。见《附件二:测试装置产品说明书》
3 成果的创新特色、实践意义和社会影响
3.1 成果的创新特色
在国内外关于热环境物理参数的测试方法研究方面,大多进行的是单项热性能指标测试方法与测试仪器的研究,未进行过综合性多指标同步测量仪器的研发工作。该测试装置及测试方法可用于同步测量太阳反射比、热反射率、降温效果、导温系数、导热系数,集低吸热路面的5项功能指标的检测于一体,简化实验过程,避免了多指标分步测量而造成的低吸热路面性能检测效率低下的问题,达到了以多个指标同时表征路面热反射材料与结构降温效果及缓解城市热岛效应能力的目的。
本项目研发的路面材料光热性能测定装置的环境箱内部在可控光照强度为20-1200W/㎡的氙灯光照的同时,配置制冷系统及温度传感器,可精确控制室内温度,调节风速系统模拟室外风速,更逼真地模拟室外环境条件,为实际应用提供真实可靠的数据支持。且外壁设置的三个卡槽,与固定PSP的机械臂配套,可测试不同高度太阳反射比。
3.2 成果的实践意义和社会影响
面对越来越严重的城市热岛效应和日趋恶化的城市热环境质量,开发低吸热功能型路面迫在眉睫,随着国内外在路面热反射材料与结构研究工作的逐步深入,利用多项指标综合评价吸热路面材料与结构的降温特性已成为重要课题。国内外对低吸热路面功能指标测试方法虽然进行了不少试探性的研究,但都未开展系统性的研究工作。
本路面材料光热性能测定装置填补了低吸热路面功能指标同步测试方法的空白,为未来相关研究提供测试方法和实践经验。随着吸热路面材料的不断发展和更新,公路工程中大量应用成为趋势,这足以体现装置具有较大的市场需求和实践意义。
4 研究成果和研究方法的特色
(1)综合性强,操作简单。本项目开发的综合性测试仪器相对于普通单项测试仪器,可以对5项低吸热路面功能性能指标进行同步测量,简化了测试过程。
(2)环境相似度高。本项目通过氙灯模拟的太阳光源,由制冷和制热控制风速装置控制环境温度及风速,再通过改变氙灯光照强度模拟不同时间段的太阳光强度大小,可很好地模拟室外不同环境条件,测试结果更接近实际效果,具有代表性。
|
三、项目研究总结报告
1 项目执行情况总结
1.1 预定计划执行情况
本项目于2014年3月份立项,预计在2015年12月份结题,故项目小组拟定了在此研究期段内项目执行的预定计划,主要为以下六个阶段:
◆查阅文献、实地调研
小组通过中国知网、外文学术期刊检索系统和学校图书馆等途径,大量查阅国内外与项目相关的文献资料,了解导致热岛效应的主要原因、低吸热路面的研究现状、国内外有关表征材料热学性能的指标、低吸热路面功能性指标测试方法与测试装置及其评价方法;并进行实地调研测试分析,建立模型分析城市道路地表热环境状况及其对外在影响变化规律。
◆初步设计低吸热路面试件多功能测试装置
通过前期查阅资料,了解国内外测试装置的研发现状,总结其中的不足。完成项目设计的测试装置的环境模拟部分、测量部分设计、数据集成输出系统的设计,画出设计图纸;
◆制作低吸热路面试件多功能测试装置
联系装置制作厂家,通过双方协商,确定路面材料光热性能测定装置最终样式,根据仪器设计图进行装置样机的制作;
◆进行低吸热路面试验,测试及改进实验装置
在实验室内,制作低吸热路面试验样块,利用测试装置进行实验,验证装置的可行性,是否能准确测量低吸热路面的功能性指标,达到预期的设计目的和要求。找出测试装置存在的缺陷,为测试装置的后续研究课题提供改进和升级的意见;
◆发表相关论文,申请专利;
预期发表有关路面材料光热性能测定装置开发与试验测试及从道路交通方面有效缓解城市热岛效应的学术论文2~3篇;申请国家专利1~2项;
◆完成项目结题报告。
1.2 项目研究和实践情况
(1)查阅文献及实地调研
项目课题自2014年3月立项至2014年5月,小组成员通过大量查阅国内外相关文献,了解城市热岛效应产生的主要原因、当前低吸热路面的研究现状、低吸热路面的主要功能性评价指标以及其测试装置的研发现状和测试方法。
在此过程中,小组发现在道路交通中,路面的热效应以及道路近地表热环境对城市热岛效应的产生有一定贡献。而当前国内外对低吸热路面缓解城市热岛效应的研究方向多是太阳热反射涂层颜色的多样性和节能型太阳热反射涂层的研发以及单项热性能指标测试方法与测试仪器的研究,且大多处于起步阶段,存在较大的研究拓展空间。
项目组设计实验,对典型城市道路路基路面材料温缩及热传导性能实地调研测试,建立模型分析城市道路地表热环境状况及其对外在影响变化规律。基于调研结果,针对当前低吸热路面测试装置测试指标单一、测试方法缺乏综合性的不足,小组计划设计一套能同步测试低吸热路面材料主要功能性指标的路面材料光热性能测定装置及测试方法。
(2)设计低吸热路面试件多功能测试装置
2014年5月至2014年12月,小组主要进行的是测试装置的设计。
以下是小组讨论得到的第一版测试装置设计样式剖面图:
图7 第一版测试装置设计样式剖面图
主要由箱内环境模拟、功能性指标数据测量和数据输出三部分组成。其中,箱内环境模拟中,氙灯光照强度可调且调节精度较高,能准确模拟太阳光照情况,喷水器和轴流风机可有效模拟风雨天气情况;功能性指标数据(主要为降温效果、太阳反射比、热反射率、导热系数以及导温系数)主要通过传感器以及各类测试仪器测量得到;输出设备则通过编写计算机程序,能实时输出显示在控制面板的屏幕上。
在此阶段,由于组内部分成员的个人原因,无法继续跟进项目的研究进展,故经指导老师批准,上报学校说明情况后,决定变更3名项目成员。
新小组在讨论设计方案后,提出了各自的改进意见和看法,并绘出了第二版测试装置的设计图,如下:
图8 第二版测试装置的设计图
主要改进为:
a.确定了测试装置的尺寸大小;
b.调整了温度计、日射强度计和温度传感器的测量位置,更加合理准确;
c.考虑到成本问题,省去了数据输出部分的设计,改为测量数据采集及处理的方法对数据进行整理和分析;
d.调整了试验样本容器的布置,通过空白样本和试验样本的反应测试,对比得到试验结果,更加科学有效。
e.考虑到仪器用于测试热物性指标,主要是模拟夏季高温环境,故省去喷水器。
(3)制作低吸热路面试件多功能测试装置
项目成员广泛了解装置所需测试仪器的性能及价格,结合实际条件,对比选择符合本项目设计研发装置的各部分零件。2015年4月,小组通过调研,确定与广州斯派克环境仪器有限公司签订合同,交由该公司负责生产项目设计装置。
通过双方沟通和讨论,结合实际制作条件同时满足装置各项要求下,确定最终的测试装置设计图如下:
图9 装置正视图
图10 装置左视图
图11 装置俯视图
测试装置包括箱体及设于箱体上方用于模拟太阳光源对待测试件进行照射的装置,还包括光强控制装置,箱温调节装置,太阳辐射能测试装置,测温装置及一个独立的片式加热装置。所述光强调节装置可供使用者在调节范围内选择合适的光照强度准确模拟太阳光照;箱温调节装置可准确控制箱内温度,与光强调节装置一起使用可以准确模拟太阳照射路面的环境;测温装置可以测量所测试件的降温效果;太阳辐射能测试装置可以测量光照辐射能;独立的加热片可以给试件提供常功率平面热源。
(4)进行低吸热路面试验,测试及改进实验装置
目前,测试装置的制作已经完成,厂家正在进行仪器的测试工作,故目前暂未开展低吸热路面的试验。但后期的项目计划和安排,小组仍然会继续跟进。
2 研究工作中取得的主要成绩和收获
2.1 申请专利情况
项目组在研究开发过程中,拓展研究成果已向国家知识产权局申请国家发明专利2项(均已进入实审阶段)。
u 2014年6月13日申请国家发明专利“光催化降解漏油污染的路面表层效果的测试方法”受理号:201410263427.0;
u 2014年6月13日申请国家发明专利“路面油污现场光催化降解处治效果监测方法”受理号:201410263471.1。
2.2 发表论文情况
项目组在项目研究开发过程中,通过对实验结果进行整理分析和总结,已发表论文2篇,投稿论文5篇。
u 研究前期拓展性成果论文《路面漏油污染的光催化降解试验研究》载于中文核心期刊《环境科学与技术》(2015年6月 第38卷 第6期);
u 研究前期拓展性成果论文《Research on Biological Purification Pool Purify Pavement Runoff by Simulation Experiment》载于“2015 International Conference on Energy and Environmental System Engineering(EESE2015)”(May 17-18, 2015);
u 研究前期成果论文“沥青和混凝土路面的热物理性质”、“控制路面温度的方法与分析”、“可持续光催化降解车辆尾气中氮氧化物和二氧化硫的沥青路面”、“紫外光对二氧化钛降解效率的影响”、“二氧化钛光催化降解路面氮污染物的动态研究”均已投稿至中文核心期刊《中外公路》。
2.3 竞赛获奖情况
项目组积极参加各类与课题相关的学术研究竞赛活动,取得了一定成绩。
u 2015年7月阶段成果获“第十一届挑战杯湖南省大学生课外科技学术作品竞赛”省级二等奖、校级一等奖;
u 2015年4月阶段成果获“第十届全国大学生交通科技大赛”校级一等奖;
u 2014年11月阶段成果获“2014年全国高等学校土木工程专业本科生优秀创新成果奖”鼓励奖;
u 2014年11月在304永利集团官网入口学生科技立项中获校级一等奖两项;
u 2014年5月18日在“第七届节能减排大赛”获校级二等奖。
以上证明材料详见《附件三:专利、论文及获奖证明》
3 研究工作中的问题及建议
3.1 研究中的不足
u 由于检测低吸热路面的5项功能指标的环境要求或实验试样不同,虽然利用测试装置能连续检测5项指标,但还无法做到同步检测;
u 由于厂家无法提供精密日射强度计,导致整个仪器未能完全一体化。
3.2 尚需深入研究的问题
u 深入探究5项指标的测试原理,解决其测试环境限制及实验试样限制,改进测试装置,做到5项指标同步测试;
u 通过对低吸热路面各功能指标的测定,自主设计出低吸热路面功能层。
3.3 研究中的困难、问题和建议
u 由于小组成员对机械设计制造方面的知识掌握不足,导致对于一些专业仪器了解不够,在仪器设计阶段十分困难;并且在与厂家联系仪器制作生产时,由于缺乏相关知识,期间花费了较长时间,导致项目的计划进度延迟,尚未进行低吸热路面试验、测试装置的测试及改进。
u 半球发射率的检测需真空环境,且测量半球发射率的辐射计价格昂贵,将大大提高仪器装置的成本,故装置设计未考虑低吸热路面的半球发射率指标的测量;
u 对于太阳反射比的测量,由于紫外、可见、近红外分光光度计价格较为昂贵,若采用光谱法进行检测,国内仅有大的测试机构和有实力的科研单位能够承受。故本项目采用精度相对较高的精密日射强度计进行测量。
|
四、经费使用情况
经费合计116963元,其中,学校配套资助20000元,学院(所)配套资助 元,其他经费96963元。
|
经费支出情况:
(1)项目调研及交通费6800元;
(2)项目资料打印复印等费用5623元;
(3)试验材料购置费2540元;
(4)试验测试元件购置费4000元;
(5)测试装置加工制作费98000元
|
五、指导教师及学院(系)审核意见
项目指导教师对结题的意见,包括对项目研究工作和研究成果的评价等。
负责人签章:
年 月 日
|
项目主持人所在学院(系)对结题的意见,包括对项目研究工作和研究成果的评价等
负责人签章:
年 月 日
|
六、学校结题审核意见
学校对项目研究的任务、目标、方法和研究成果水平等进行评价,是否结题。
年 月 日
|
附件目录
附件一 低吸热路面功能性指标测试方法…………………………17
附件二 测试装置产品说明书………………………………………24
附件三 专利、论文及获奖证明……………………………………33
附件一 低吸热路面功能性指标测试方法
本多功能仪器主要考虑测量5个热物性相关指标,包括:降温效果、热反射率、太阳反射比、导温系数、导热系数。下面阐述各个指标的概念及拟采用的测试方法及所借鉴的相关装置图。
1 降温效果
指标定义:降温效果即为暴露于热辐射下的使用隔热方式制品的外表面温度与内表面温度的差异,该指标可以直观地反映使用隔热方式的降温效果。
测试原理:该指标的测试采用模拟热箱法。然后利用温度传感器等测量元件和温度采集仪,可以记录氙灯模拟照射下的试件的内外表面的直观温度差。
样板制备:300*300*50mm车辙板,方案横向比选时可以选择150*300*50mm车辙板。
测试环境:选用合适的氙灯为热源模拟太阳光照,将辐照度定位(1000±20)W/m2,通过轴流风机产生速度为(1.0±0.5)m/s的微风,实验室温度控制在(23±2)℃。
测试方法:打开氙灯电源,十分钟之后,开始记录上下表面的温度数据,每隔2分钟记录一次,连续记录1小时。
图1 降温效果测试装置结构示意图
测试元件:
(1)1个氙灯:辐照强度可以调节。
(2)1个稳压电源
(3)10个温度传感器,
(4)1个温度自动显示记录仪
(5)1个轴流风机
(6)1个辐照能传感器
(7)保温隔热材料。
2 太阳热反射率
指标定义:太阳热反射率指投射到物体的热射线中被物体表面反射的能量与投射到物体的总能量之比。
测试原理:用氙灯替代太阳光源,照射在涂有涂料的金属板上,测量金属板的背面(非涂层面)温度变化,与黑板对照并计算其反射率。
样板制备:用溶剂擦干净三块铝样板,样板规格尺寸为150*75*1mm,并符合QQ-A-250/4规定。在两块样板上喷涂复合规范TT-E-489规定的黑色磁漆,其干膜厚度介于0.03-0.04mm之间。在另一块样板上喷涂待试验的涂料,干膜厚度与前两块样板相同,并将两种样板都各自干72小时。
测试环境:室温28.8±0.5℃,恒温。
测试方法:
(1)将两块喷涂黑磁漆(可选择高色素炭黑,吸收比>97%)的铝板平行放在聚苯乙烯泡沫塑料上,喷漆的一面朝上,两样版边缘相距5cm,位于灯泡的正下方;
(2)调节灯泡与样板之间的距离(初选600mm),使两样板在30min内达到(87.8±1)℃;
(3)达到平衡温度5分钟后立即撤走一块黑样板,换上一块待测的热反射涂料样板;
(4)经15min温度重新达到平衡后,记录平衡时的热反射涂料样板的温度t2和黑样板的温度t1;
(5)利用反射率公式计算反射率
式中,ρ为反射率,t1为标准黑板温度,t2为样板温度,t3为当时的室温,一般固定在28.8℃。
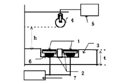
图2 太阳热反射率测试装置结构示意图
1 热反射涂料 2 两块样板 3 聚苯乙烯泡沫塑料
4 250W碘钨灯两个 5 稳压电源 6 温度传感器
7 温度记录仪 h 为370mm t 为60mm
测试元件:
(1)2个温度传感器
(2)三块铝样板喷涂黑色磁漆
(3)聚苯乙烯泡沫塑料
3 太阳反射比
指标定义:太阳反射比是物体反射到半球空间的太阳辐射通量与入射在物体表面上的太阳辐射通量的比值,也称阳光反射比、阳光反射率。太阳反射比是评价热反射性能最重要的技术指标,也是对热反射涂料进行节能计算时必须输入的热工参数之一。拟采用日射强度计法,为了评估材料表面对实际太阳辐射的反射能力,ASTM编制了E1918标准方法,该方法是用精密日射强度计,在现场测量水平或低坡度(小于9.5℃)表面的太阳反射比。
测试步骤:将精密日射强度计固定在支架的机械臂端头,交替朝向上方和朝向被测表面,通过输出设备读取太阳辐照强度和被表面反射回的辐照强度,被测表面的太阳反射比即为反射辐照度与入射辐照度的比值。
图3 太阳反射比测试装置结构示意图
测试元件:
(1)美国Eppley日射强度计(简称PSP)。
(2)输出设备。
3 导热系数、导温系数
指标定义:导热系数是指在稳定传热条件下,1m厚的材料,两侧表面的温差为1度,在1秒内通过1平方米面积传递的热量,λ单位为瓦/米·度(W/m·K)。导温系数(热扩散系数)α表征物体被加热或冷却时,物体内各部分温度趋向均匀一致的能力。
测试方法:本装置拟采用的常功率平面热源法,为非稳态测试法。
测试环境:保持室温恒定。
测试原理:它基于常热流边界条件下半无限大物体内温度场变化的规律,来测定沥青混合料的导温系数,并能同时测出导热系数以及计算比热容。初始温度为t0的无限大均质物体,当表面被常功率热流加热时,温度场有以下导热微分方程求解。
(1)
初始条件:
,
(2)
边界条件:
,
(3)
式中:θ为过余温度,以
时刻为基准。例如,
时刻离表面距离
的点的过余温度
。
q为热流密度,W/m2;λ为导热系数,(W/m·℃)
在(2)、(3)的条件下,求解式(1)得:
(4)
式中:
为高斯误差补函数的一次积分,可查表。
根据式(4),若物体初始温度为
,从0时刻开始以常热流q加热,测出
时刻的表面温度
以及
时刻离表面
距离处的温度
(
为设定的测点位置),则由下列运算可得出该物体的导温系数及导热系数。
在
时刻,由式(4),
应为:
(5)
在
时刻,由式(4),
应为:
(6)
以式(5)除以式(6)并消去q和λ,整理后的
(7)
令
则可得导温系数α:
(8)
通过(5)得到:
(9)
通过试验,测得
、
、
、
后,带入式(7)可求得
,再由误差函数表查出
的数值,从而可以得到导温系数α。再由式(9)求出导热系数,即本方法可以同时测量导温系数和导热系数。
热流采用电压表和电流表测量热流量的大小,用电源开关控制热流的供给。计算公式:
,除以2是由于热量一半向上传播。
此方法测出的数据,可认为是平均温度
时的导热系数。
注:过余温度表示物体真实温度与系统初始温度之差。
图4 导热系数、导温系数测试装置结构示意图
试样制备:试验前将试样加工成尺寸为150*150*50mm的试样两块,150*150*15mm的试样一块。满足条件:
(
为试样厚度,L为试样宽度和长度)
测试步骤:
1)试样放置顺序为先放置一块150*150*50mm的试样,上面放置加热片,之后在加热片的中心放置温度传感器1,再放置尺寸为150*150*15mm的试样一块,再放置温度传感器2,再放置尺寸为150*150*50mm的试样一块。
2)待初始温度
稳定之后,通电加热试样,用秒表计时,记录热量q。
3)
时,记录
;
h时,记录
4)测量中间试样
的高度以及密度
注意事项:实验开始前,应测试一次
及
处的温度,如果俩者温度一致,表明每块试材温度相同。
测试元件:
(1)1个电阻值稳定的平面加热片
(2)1个电压表
(3)1个电流表
(4)个温度传感器
(5)1个温度采集仪
(6)1个直流稳压电源
附件二 测试装置产品说明书
路面材料光热性能测定装置设计说明书
设计者:刘佩,朱航,颜钰婷,张磊,郑伟,左瑞芳
指导教师:钱国平
304永利集团官网入口,交通运输工程学院,长沙市,410114
作品内容摘要
在全球气候变暖和高速城市化的大背景下,世界上许多城市都出现了高强度的城市热岛效应,城市热环境质量日趋恶化极大地影响着城市生态环境和城市居民的日常生活。城市地表结构物是城市热岛效应的主要影响因素之一,而路面作为最主要的城市地表结构物对城市热岛效应的影响尤为显著。开展具有降温效果显著、成本低且施工方便等优点的沥青路面太阳热反射涂层及沥青路面结构的研究开始得到重视。
本课题为低吸热路面性能检测提供了一种模拟室外热环境的测试装置,该装置具有可控温、辐照强度可调且范围大等特点,可用于检测低吸热路面五个功能指标——降温效果、太阳热反射率、太阳反射比、导热系数、导温系数,便于进行热反射路面涂层的开发与研究,具有很高的科研价值和广阔的市场应用前景。
关键词:低吸热路面;太阳反射比;降温效果;导温系数;导热系数;热反射率;测试系统
1 项目研究的背景及意义
在全球气候变暖和高速城市化的大背景下,世界上许多城市都出现了高强度的城市热岛效应、城市热环境质量日趋恶化等现象,极大地影响着城市生态环境和城市居民的日常生活。城市地表结构物是城市热岛效应的主要影响因素之一,而路面作为最主要的城市地表结构物对城市热岛效应的影响尤为显著,其主要是通过路面热传导、路表热辐射和热对流3种方式作用于路表及环境的温度场影响城市热岛效应。
针对我国城市道路越来越严重的热岛效应现象和日趋恶化的热环境问题,开展具有降温效果显著、成本低且施工方便等优点的沥青路面太阳热反射涂层及沥青路面结构的研究已迫在眉睫。因而,分析其热环境的影响、提高路面表层材料对热辐射的放射率、增强道路结构对热辐射的传导并且用相应指标评价体系来评价其路面对热辐射的贡献就显得尤为重要。本路面材料光热性能测定装置可以很大程度上模拟真实环境,能定量测试低吸热路面的功能指标,分析新型低吸热路面降温效果的优劣。
2 国内外研究现状
2.1 低吸热路面功能指标测试方法研究现状
目前,航天器热控涂层测量太阳反射比的普遍方法是光谱法,利用带积分球的紫外、可见、近红外分光光度计可以精确测量材料不同波长的反射比,根据太阳光在一定波长范围内的相对能量分布,通过加权平均计算材料在上述波长范围内的太阳反射比。但是由于紫外、可见、近红外分光光度计价格较为昂贵,国内仅有大的测试机构和有实力的科研单位能够承受,其应用受到了一定的限制[1]。
美国材料测试协会标准ASTM C1549[2]规定了一种用便携式反射比测试仪测定材料常温下太阳反射比的方法。该方法具有测量精度较高,数显分辨率为0.001、测量方式灵活、选择多样等特点,且该测试方法快速、准确,且仪器的价格相对低廉。
ASTM编制了E1918标准方法[3],评估材料表面对实际太阳辐射的反射能力,该方法是用精密日射强度计(PSP),在现场测量水平或低坡度(小于9.5º)表面的太阳反射比。这种方法简单直观,能够实时监测表面对太阳辐射反射的变化情况,反映了材料对实际太阳辐射的反射能力。缺点是易受环境因素制约,多云和薄雾天气严重影响测量工作。因此测试期间天气应该晴朗、无云、无雾霾。
GJB2502.《3航天器热控涂层试验方法3部分:发射率测试》中的辐射计法和ASTM C1371Standard Test Method for Determination of Emittance of Materials Near Room Temperature Using Portable Emissometers 是常温下用辐射计测量材料半球发射率的方法。利用辐射计探测器的输出信号与被测试样的发射率呈线性关系,通过比较高、低发射率标准板与被测试样输出信号的大小,得出被测试样的发射率[4-5]。
ASTM E1980[6]指出所谓的“阳光反射指数SRI”(Solar Reflectance Index)是指在标准大气环境与太阳辐照下,材料表面稳态温度与标准黑板(SRI=0,太阳反射比0.05,半球发射率0.9)和标准白板(SRI = 100,太阳光反射比为0.80,半球发射率为0.9)表面温度的相关性。阳光反射指数可以衡量某种材料(表面)在阳光直射下保持低温的能力,SRI越高,那么这种材料在阳光直射下的温度就越低。并给出了SRI的计算公式和相关参数的选取方法。
JG/T235规定了热反射涂料隔热温差的测试方法:用红外加热灯分别照射固定于测温箱开口处的空白试板和热反射涂料试板,测量试板背面温度,待达到热平衡后,空白试板和热反射涂料试板背面温度之差即是这种热反射涂料的隔热温差。刘翼等对此方法进行了改进,同时考虑到热源辐照度、环境风速、空气温度等对测试的影响,研发出隔热温差试验机[7]。
化工行业标准《金属表面用热反射隔热涂料》中推荐了一种隔热温差的模拟试板测试法[8],这种方法的特点是使用了旋转托盘,保证了样板接受热辐射的均匀性。另外,试板和空白板温度同时测量,可减小因分次测量带来的误差。缺点是用红外线仪测量放在支架上的样板背面温度操作上有一定的困难,另外红外灯的光谱与太阳光谱相差较大,削弱了热反射材料在两种热辐射源下测试结果的可比性。该方法适于热反射涂料研发过程中的横向比较和配方筛选。
杨文颐等[9]指出模拟热箱法和模拟试板法都是在实验室里模拟实际工况测试热反射材料的隔热效果,虽然具有复现性好、试验周期短等优点,但实验室模拟与实际自然环境毕竟存在着一定的差异,为了评价热反射材料在自然条件下的隔热降温效果以及随时间变化周围环境因素对其的影响,可将表面覆有热反射材料的具有一定体积的试验箱置于空旷的户外,或者直接将热反射材料应用于建筑等实体对象,测试太阳辐射下试验物体和对照物体外表面温度、内表面温度和内部气温,比较其差异、研究温度变化情况。另外,如果是实体建筑,可在试验房和对比房内安装空调,调节空调温度使二者一致,通过计量在一段时间内空调的耗电量可以计算应用热反射材料时的节电量。
2.2 研究现状评价
综合国内外的研究资料可以看出,国内外研究重点是单项热性能指标测试方法与测试仪器的研究,并未进行综合性多指标同步测量仪器的研发工作,也没有推广应用,特别是低吸热路面的实验室测试阶段。
热性能测试装置有着广阔的推广应用前景,但是低吸热路面功能指标同步测试装置在国内外虽然进行了不少试探性的研究,但都未开展系统性的研究工作。因此,缓解热岛效应的低吸热路面功能指标同步测试方法急需要进一步的研究。
3 设计方案
小组成员在国内外已有研究成果的基础上,比较不同测试方法的共性和优劣,开发了一种可以很大程度上模拟真实环境的低吸热路面功能指标定量测量装置及测试方法,可以同时对多项低吸热路面功能指标进行测量,以便分析不同低吸热路面降温效果的优劣。同时解决在单独测试低吸热路面不同功能指标时,由于测试环境条件差异导致的效率低下问题。简化了低吸热路面功能指标的测试过程以及复杂程序。
本多功能仪器主要测量5个热物性相关指标:太阳反射比,降温效果,导温系数,导热系数,热反射率。
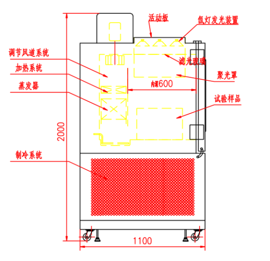
3.1 装置整体结构
测试装置外部结构尺寸为:宽×深×高(W1400×H1100×D2000);内反应室尺寸为:宽×深×高(W900×H600×D800),标称内容积为:360L。
测试装置整体三视图如下:
图1 装置正视图
图2 装置俯视图
图3 装置左视图
整套系统具有良好的气密性能,反应室内部结构简单,反应过程稳定,数据采集准确度高,控温稳定,能有效模拟室外热环境。
3.2 内室大门
采用能自然平滑地旋转开启、关闭的铰链门;门上配中空玻璃观测窗一个,配有遮光装置,能防紫外线等强光。
显示屏为TFT彩色LCD显示器,中文菜单,触摸屏方式输入。
3.3 控制面板
控制面板安装在内室门的右侧,包括温度和光照控制显示屏、温度记录仪、超温保护设定装置和照明开关。
3.4 配电控制柜
配电控制柜包括散热风机、配电板、总电源漏电断路器、发光驱动器、测光装置、调光与控光装置。
3.5 机械室
机械室中包括制冷机组、风机以及配电控制柜。
3.6 加热器
加热器采用镍铬合金电热丝式加热器,其控制方式为无触点等周期脉冲调宽,SSR(固态继电器)。
环境箱内温度可调范围为+10~+60 ℃(此范围内任意温度可调且恒定),波动值为±1℃,温度偏差为±2.0℃。
3.7 制冷系统
制冷系统位于内箱下部,采用活塞式压缩机,其工作方式为机械压缩制冷方式。
制冷机控制方式:控制系统的PLC(可编程逻辑控制器)根据试验条件自动调节制冷机的运行工况;压缩机回气冷却回路 。
制冷剂采用R404a(臭氧耗损指数为0,是环保制冷剂)。
3.8 空气调节通道
空气调节通道位于内箱后侧,包括风机、加热器、蒸发器(兼除湿器)。
3.9 安全保护装置
制冷系统:压缩机超压;压缩机电机过热;压缩机电机过流。
试验箱:可调式的超温保护;风机电机过热。
其他:总电源相序和缺相保护;漏电保护;负载短路保护。
3.10 温围护结构
内箱为 SUS304 不锈钢板,钢板经哑光处理,可最大程度的减少反射光的影响。外箱为镀锌钢板,经过除锈,磷化处理;夹层为聚氨酯发泡棉保温材料,该材料具有质量轻,免维护,耐腐蚀,阻燃,保温性能卓越等优点。
3.11 光源
(1)氙灯(1800W~2500W)位于内箱上部,附有滤光玻璃和聚光罩。氙灯装置内尺寸为0.5m×0.9m×0.8m,聚光罩下方的可操作预留高度为0.5m。照射高度60cm-70cm及以上,照射面积350*700mm(在此面积内光照强度均匀),照射面积为中间处,光照强度20-1200W/m2连续可调。选定光照强度后,辐照度的波动不大于5%。光谱范围:0.29-0.8μm。选定辐射强度时的光照波动偏差(测光误差)在50W/m2内。测光精度1W/m2。光感应探头的位置设于距内箱底0.1m处。
平均灯管寿命为1000 小时,灯管过滤器采用可更换内外滤片,辐照度控制为自动微机控制。
(2)氙灯散热系统:氙灯采用风冷散热,仪器顶部设有一个进气口,三个排气孔。
3.12 温传感器
共10个温度传感器,均为接触式测温。其中2个片式温度传感器,8个常用温度传感器。测温范围为0-100℃,测温精度:0.1℃以下。
3.13 置精密日射强度计
本装置采用美国Eppley日射强度计TSP/PSP(以下简称PSP),直径14.6英寸,高9.5英寸,重量为3.18千克,仪器灵敏度9μV/Wm2,响应时间为1秒(1/e信号),用于测量太阳总辐射能量。拥有更快的响应速度,减少了夜间热补偿,改进了余弦响应以及温度依赖性。
4 创新点
(1)装置可用于太阳反射比、热反射率、降温效果、导温系数、导热系数等五项低吸热路面的功能指标的检测,避免了五个指标分步测量而造成的低吸热路面性能检测效率低下的问题;
(2)装置采用环境箱设计,拥有完善的控温系统,可对实验箱进行恒温控制,避免了由于氙灯照射而引起的低吸热路面温度改变过快的现象,更接近道路实际情况,提高了实验的准确度;
(3)装置内置的氙灯光源可控光照强度为20-1200W/㎡,通过调节氙灯及测光装置来控制光照强度,可实现不同的光照强度值,满足不同时间段、不同天气条件下的光照强度模拟,具有广泛的应用价值;
(4)装置环境箱内部在氙灯光照的同时,配置制冷系统及温度传感器,精确控制室内温度,配合风速系统模拟的风速,更真实地模拟室外环境条件,为实际应用提供真实可靠的数据支持;
(5)在太阳反射比测试中,仪器外壁设置三个卡槽,与固定PSP的机械臂配套,可测试不同高度的太阳反射比。卡槽由橡胶塞封闭,保证光照控温实验系统的密闭性。
(6)用于测试太阳反射比的PSP,可进行力臂拆卸,节约空间,且未固定的PSP可用于测试现场路面太阳反射比,实现测试仪器多功能应用。
参考文献:
[1] GJB 2502.2-2006航天器热控涂层试验方法.第2部分:太阳吸收比测试
[2] ASTM C1549 Standard Test Method for Determination of Solar Reflectance Near Ambient Temperature Using a Portable Solar Reflectometer.
[3] ASTM C1918 Standard Test Method for Measuring Solar Reflectance of Horizontal and Low-Sloped Surfaces in the Field
[4] GJB2502.3-2006航天器热控涂层试验方法 第3部分:发射率测试
[5] ASTM C1371 Standard Test Method for Determination of Emittance of Materials Near Room Temperature using Portable Emissometers
[6] ASTM E1980 Standard Practice for Calculating Solar Reflectance Index of Horizontal and Low-Sloped Opaque Surfaces
[7] 建工行业标准.热反射金属屋面板(征求意见稿)
[8] 化工行业标准.金属表面用热反射隔热涂料(报批稿)
[9] 杨文颐.热反射涂料热性能测试方法综述[J].中国建筑材料检验认证中心,2012.2.
附件三 专利、论文及获奖证明
u 国家发明专利“光催化降解漏油污染的路面表层效果的测试方法”受理号:201410263427.0。
发明专利进入实质审查通知书。
