湖南省大学生研究性学习和创新性实验计划
项 目 申 报 表
项目名称:
如果您无法在线浏览此 PDF 文件,则可以
下载免费小巧的 福昕(Foxit) PDF 阅读器,安装后即可在线浏览 或
下载免费的 Adobe Reader PDF 阅读器,安装后即可在线浏览 或
下载此 PDF 文件
|
学校名称
|
304永利集团官网入口
|
学生姓名
|
学 号
|
专 业
|
性 别
|
入 学 年 份
|
曾奕安
|
201526060225
|
建筑环境与能源应用工程
|
男
|
2015年
|
李伍平
|
201657050121
|
电子信息工程
|
男
|
2016年
|
赵威
|
201657050115
|
电子信息工程
|
男
|
2016年
|
覃朱粲
|
201526060132
|
建筑环境与能源应用工程
|
男
|
2015年
|
刘聪聪
|
201526060120
|
建筑环境与能源应用工程
|
男
|
2015年
|
指导教师
|
李 平
|
职称
|
高级实验师
|
|
王 磊
|
职称
|
工程师
|
项目所属
一级学科
|
电子科学与技术
|
项目科类(理科/文科)
|
理科
|
学生曾经参与科研的情况
曾奕安:有着良好的动手能力,在2016年6-9于氢时代能源科技有限公司参加实习。锻炼了动手能力与沟通能力。有一定的竞赛经验,2017参加九华杯创新创业大赛,获得决赛三等奖,有一定的竞赛演讲展示与文案制作能力。
李伍平:扎实的理论基础,获得班级三好学生以及学院二等奖学金参加过“物电杯”,获得三等奖,有一定的竞赛经验。
赵威:竞赛经验丰富,获得“电苑杯”三等奖和“物电杯”三等奖专业基础扎实有着良好的编程设计能力与动手能力可以胜任控制系统的设计。
覃朱粲:曾获得阳光艺术团二等奖,墨浪杯二等奖。拥有良好的外观设计水平。获得了国家CAD证书,可以胜任工程绘图的任务。并且善于沟通和合作交流,曾担任阳光艺术团市场部部长。
刘聪聪: 在校期间成绩较为优秀,专业基础课较为扎实,曾获得专业奖学金二等奖;专业奖学金三等奖;获三好学生奖……本人也于2016-2017年度在赛伯睿机器公司实习一年,圆满结束。现已顺利通过国家级计算机二级,CAD证书考试,能够较为熟练的运用作图软件作图,实践能力较强。
|
指导教师承担科研课题情况
2017年指导全国大学生电子设计竞赛湖南赛区 易飞帆、卢琳汶、王思成 获国家级二等奖,湖南省一等奖; 2016年指导湖南省大学生电子设计竞赛 林徐镔、党彤飞、曾思哲获湖南省一等奖;
2017年指导校级大学生研究性学习和创新性实验计划《基于wifi的宿舍监测与防护系统》—张浩锋、龚杰等立项与结题;2016年指导校级大学生研究性学习和创新性实验计划 《公交车到站自动报站系统PCB》-杨牧乐等结题。
|
项目研究和实验的目的、内容和要解决的主要问题
研究目的
随着我国机动车保有量的持续增加,机动车的节能减排,绿色出行成为了社会,企业与国家的重关注领域。许多理论指出增长的对大气的尾气排放导致了全球变暖。内燃机经过长期运行后,发动机内部所产生的积碳,就会导致发动机尾气排放不达标,油耗急剧增加,怠速不稳。而如何高效环保的去除发动机积碳就成为了当前的热点问题。
实验证明水氢气体通入内燃机的混合燃烧可以有效的去除积碳,减少排放,降低油耗。但是现有的产氢设备能耗高,效率低,体积大并且成本居高不下,无法进行商业性的推广。所以,本项目拟设计一种高效节能的产氢设备。并且对节能减排效果进行定量测定。从而达到将水氢气体除碳广泛使用,降低机动车排放,减少能源消耗的效果。为人类创造一个绿色美好的未来。)
研究内容
本项目拟设计一种水氢能源内燃机除碳减排设备并测试其除碳减排效果
设计一种稳定高效生成水氢气体的水氢气体发生设备。将水氢气体通入内燃机从而达到去除积碳,节能减排的效果
本项目通过对发动机除碳的理论分析结合水氢气体与汽柴油在燃烧室的混合燃烧的过程与结果进行数据采集和理论分析,与大电流第电压直流状态下碱性水溶液的电解的实验与理论分析。试制一种用于改良内燃机运行工况,提高燃烧效率降低废气排放的水氢节能减排设备。项目的主要研究内容如下。
发动机除碳的理论分析:通过在线的背景调查,资料采集与理论采集,结合数学建模对发动机内部的气体扩散燃烧模型与积碳的分解过程进行分析,得到发动机除碳过程对水氢气体的需求。并且设计进一步的线下实验。
水氢气体与汽柴油在燃烧室的混合燃烧的数据采集与理论分析:通过废气检测仪,工业内窥镜,红外测温仪在实验中对混合燃烧进行数据采集。并结合实测实验数据以及软件仿真分析结果,优化气体输入剂量和处理时间等实验参数。从而对水氢发生器的设计标准做出指导
水氢气体发生器的理论分析:通过在线资料查询分析现有资料。通过数学工具,从理论上分析水氢气体发生器对碱性水溶液的电解以及产气过程,为装置设计以及样机试制做指导;
水氢气体发生器的结构的设计:在综合理论分析之后,对提出的小型水氢节能减排设备中发生器部分进行设计以及试制。对发生器的
水氢气体与汽柴油在燃烧室的混合燃烧的数据采集与理论分析:通过废气检测仪,工业内窥镜,红外测温仪在实验中对混合燃烧进行数据采集。并结合实测实验数据以及软件仿真分析结果,优化结构参数;
对电子控制部分进行设计:根据水氢气体发生器的结构以及样机对电子控制部分进行设计,试制,使其符合实际使用要求。
要解决的主要问题
水氢气体发生器是小型水氢节能减排设备最核心的部分,而该装置的最终目的是使用大电流直流电将碱性水溶液电解为水氢气体。因此,发生器的关键技术是需要最大程度的利用电能安全高效的产生水氢气体。拟解决主要问题如下:
1. 现有物理拆解除碳方式对工人技能要求高,耗工耗时,成本高
2. 化学腐蚀除碳药剂具有腐蚀性与毒性,产生的酸雾与废液对环境和使用者健康有极大危害
3.现有水氢气体产气设备耗能大,体积大,单位体积气体耗能高,增加了成本,限制了使用范围
4.现有水氢气体产气设备缺乏直观化人机交互界面与智能控制系统,带来了操作困难,对工人要求高的问题
5.缺乏对水氢气体除碳效果的大样本定量测试,无法进一步提高除碳效率,增强除碳效果
|
|
|
|
|
国内外研究现状和发展动态
国内外研究现状与发展动态:
随着我国机动车保有量的持续增加,机动车的节能减排,绿色出行成为了社会,企业与国家的重关注领域。许多理论指出增长的对大气的尾气排放导致了全球变暖。[1]在机动车排放标准不断提高的大趋势下,保有量巨大的低排放标准的机动车在尾气排放的污染中占了相当的一部分。如何对使用年限长的这些低排放标准,国三,国二甚至黄标车进行节能减排成为了我们所面临的难题。
积碳对发动机的影响
汽油发动机运行3万千米后(或24个月之后)就会出现积碳现象。汽车燃油消耗增加、动力不足、急加速不畅快、启动不顺畅,冷车启动时、怠速不稳、发抖甚至收油熄火、尾气排放超标等问题。[2]并且提高燃烧效率也就相应的减少了燃料消耗。所以,改良发动机运行工况减少积碳成为了减少能耗,降低废气排放的重要途径。
伯明翰大学[12]在单缸直喷汽油机上对积碳喷油器的研究表明,积碳喷油器造成的碳氢排放比清净喷油器高10%~15%, 改良发动机工况,最直接的办法就是恢复发动机原有结构与燃烧环境或者提高燃油品质。在此情况下有学者提出通过加入燃油添加剂的方式改良燃油品质。但是其效果有限,降低油耗提高动力程度十分有限。因此,恢复发动机原有结构和燃烧环境成为了机动车节能减排的重要途径。
去除积碳的方法
为了去除积碳,恢复工况,如表1所示,在市面上有多种去除积碳的方法。
表1 去除积碳的方法
|
|
|
|
|
除碳方法
|
操作原理
|
效果
|
成本
|
缺陷
|
拆机清洗法
|
对发动机进行拆卸分解或部分分解,再对发动机的进气通道,节气门、 气门、燃烧室、喷油器等部件进行物理积碳清洗
|
效果明显
|
人力成本高昂,需要费工费时进行安装
|
对发动机产生磨损,损坏密封
|
药液清洗(俗称打吊瓶)
|
通过化学作用溶解 表面的杂质来清除
|
效果不可视,不明显
|
操作时间长,产生有毒有害污染物
|
腐蚀发动机构件,如缸壁等,导致密封损坏
|
或加注汽油添加剂
|
含有清洁活化因子能去除燃油中的胶质物以及发动机积碳等物质
|
效果很不明显
|
成本较低
|
腐蚀发动机构件,如缸壁等,导致密封损坏
|
超声波清碳技术
|
清洗机供给原车供油系统,并给发动机 提供添加清洗剂。
|
效果一般
|
操作时间长,清洗剂有污染
|
腐蚀发动机构件,如缸壁等,导致密封损坏
|
水氢除碳技术
|
运用水氢气的氢催化原 理、富氧燃烧原理及水氢循环原理等特性进行积碳的清除
|
效果较为明显,可以看到积碳被排出
|
操作时间10-20分钟,对环境,工人无任何危害
|
不使用任何腐蚀性成分,完全绿色
|
而我们创新提出的水氢机动车减排技术,则是基于水氢气体发生器对水的电解从而生产水氢气。在其与燃料混合燃烧过程中,改良发动机燃烧环境与条件。从而达到去除积碳和减少废气排放的效果。根据哈尔滨工业大学[13] 对水氢气体除碳的研究,水氢除碳在现有的测试中有着良好的表现,其研究表明其除碳效果也较明显,能让发动机恢复动力降低油耗 10%左右,废气排放显著降低。下表为用水氢气体对某尼桑2005年款2.0车的发动机(车辆里程:78 088 km)的积碳清洗前后的数据。
水氢气体与掺氢燃料对发动机除碳减排的效果
早在60年代,由Bockris JO’MA发表的文章中就对燃料电池式气体发生器进行了构想。而在2010年由Al-Rousan等进行的两项研究表明,水氢(水氢)气体混合燃料在节能和燃料消耗方面的改进。[3] [4]
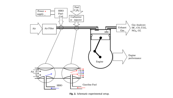
2011年,约旦的Mutah University 的机械工程部门就对水氢气体在HONDAG200 (197CC单缸)中对燃烧排放产生的影响进行了实验。研究装置如图1所示,其通过气体发生器产(图2)生水氢气体与空气与汽油通入到燃烧室中。并用排放采样器(称为气体分析仪)测量五种气体[5]。 这些气体是HC,NOX,O2,CO和CO2[6]。并且对转速、发动机温度、热效率和具体的燃料消耗等参数进行了记录。
图1 水氢气体产生器照片和示意图
图2 实验系统示意图
图3 发动机参数表
文章中指出,通过水氢气体对发动机的处理[5]:水氢cell和发动机可以简便高效方式整合在一起。 用水氢气体引入空气/燃料混合物对发动机时,燃烧效率得到了提高,从而降低了燃料消耗。 使用水氢气体对发动机进行处理后,氮氧化物的浓度平均降低到接近50%。 使用水氢气体对发动机进行处理后,一氧化碳的平均浓度已经降低到使用空气/燃料混合物的情况下的近20%(无水氢)。 OX平均浓度已经降低到没有发加入到发动机时的情况下的约54%。 C浓度受发动机转速和对发动机进行处理时间与水氢浓度的高度影响。现有的对小型水氢气体发生器的研究是现有的小型水氢气体发生器产气量小,气量不稳定,在2010年由Al-Rousan进行的研究中,水氢 FC产气量仅有18.3~19.4L/h[4],而在2011年,Mutah University的实验中自行设计的水氢 FC达到了23.5~23.8L/h[5]。其采用的Honda G 200引擎(数据见图3)排量小,功率低,对气量要求较低,无安全维护装置。故其发生器无法推广到大中型内燃机中使用。
而采用电解产氢设备对其进行替代时,其能耗过高,经济效益低下。并且体积巨大无法达到除碳过程对发生器的需求。1996年,法国的sagim公司推出的MP-BP500-7型发生器,一小时能生产500L左右的氢气。但是,其产品体积巨大,无法应用在汽车减排中。[7]。而现在市面上的电解产氢设备产气量得到了一定的改良,但是其体积与能耗问题始终得不到改良。单位体积的气体电解耗能都处在4.0Kw*h到6.82Kw*h每立方米。而每立方的水氢气体的热值约为8571.4kj相当于2.38Kw*h与水氢气体的实际燃烧热值相对比,其在电解过程中就产生了40%-65%的能量损耗。经过调查,我们选取了市面上的几种常用的电解产氢设备进行调查。
生产厂家
|
型号
|
产气量(L)
|
槽电压(V)
|
槽电流(A)
|
电解功率(Kw)
|
单位气体耗能(M3/Kw*h)
|
温州高企能源科技有限公司[9]
|
CHG-1
|
1500
|
320
|
32
|
10.24
|
6.82
|
苏州苏氢制氢设备有限公司[10]
|
SHM-1
|
1500
|
容量:6 KVA
|
6
|
4
|
中电丰业[11]
|
HGA
|
7500
|
容量:50KVA
|
45
|
6
|
阿海珐纯水制氢设备AREVA[11]
|
E5
|
7500
|
容量:40KVA
|
40
|
5.33
|
得到体积重量小,操作安全,产气量高,输出稳定的水氢气体发生器成为了我们研究的主要问题。在2010年亢彪,王志忠,常学斌研发的便携式电解水水氢发生器,相对于传统产品,通过对对美国 Vicor 公司和日本 Lambda 公司生产的 VI-200 系列和 PH 系列 DC-DC 变换模块的应用,降低了发生器的质量与体积提高了便携性。但是,其产气量仅仅有80L/h。[8]
本项目拟在目前已有的研究基础上,设计一种新型的高效率水氢气体发生器,并且通过软件分析以及实验的方法获取装置相关参数,并进行再次优化设计。然后基于设计的水氢气体发生器,通过产生的水氢气体改良发动机燃烧环境与运行工况。从而达到节能减排的效果。
参考文献
[1]Eastern Asia Soc Transp Stud, 5 (2003), pp. 2398-2407
[2] Bockris JO’M, Srinivasan S. Fuel cells: their electrochemistry. New York: McGraw-Hill; 1969.
[3] Yilmaz AC, Uludamar E, Aydin K. Effect of hydroxy (水氢) gas addition on performance and exhaust emissions in compression ignition engines. Int J Hydrogen Energy 2010;35:11366–72.
[4] Al-Rousan AA. Reduction of fuel consumption in gasoline engines by introducing 水氢 gas into intake manifold . Int J Hydrogen Energy 2010;35(23):12930–5.
[5] Sa’ed A. Musmar, Ammar A. Al-Rousan. Effect of 水氢 gas on combustion emissions in gasoline engines [J]. Fuel,2011,(10): 3066-3070
[6] Heywood JB. Internal combustion engine fundamentals. McGraw Hill; 1988.
[7]. 新型电解氢发生器MP-BP500-7[J]. 中国科技产业,1996,(07):62.
[8]亢彪,王志忠,常学斌. Vicor模块在便携式电解水水氢发生器电源上的应用[J]. 兵器材料科学与工程,2010,33(02):94-98.
[9]http://www.wzcoch.com/Catalogue/CHOsdjzqsb_ID1.html
[10]http://www.sqhec.com/index.php?g=&m=Page&a=index&id=52
[11]http://www.bjzdfy.com.cn/index.php/Home/Product/content/id/34/n/0.html#product
[12]Wang C,Xu H,Herreros J M,et al. Impact of fueland injection system on particleemissions from a GDIengine[J]. Applied Energy,2014,132(11):178-191.
[13] 李成龙.新型氢氧除碳机关键技术的研究[D].哈尔滨:哈尔 滨工业大学,2014.
本项目学生有关的研究积累和已取得的成绩
1.设计并制造了试验水氢气体发生器
2.对操作界面进行了绘制并对操作功能进行了设计
做了相关水氢气体在发动机除碳节能减排的研究和探索;
做了相关结构设计对水氢气体发生器的研究和探索;
对水氢气体发生器进行了性能测试
获得九华杯创新创业大赛三等奖
获得发生器结构实验新型发明专利一项
试制试验发生器
课题成员通过工厂调研,国内外文献查询,对内燃机燃料的相关助燃减排技术进行了初步的总结,并且根据燃料的种类和内燃机不同工况下的燃烧效率和排放指标进行了大量的数据分析,针对目前内燃机的由于燃烧环境引起的效率低下和排放超标的问题,以及通过燃料加氢原理,改善燃油的燃烧环境来解决燃油效率和降低排放进行了大量的文献调研。同时对本项目进行了预研,并且提出了初步的设想和解决方案。
本项目预研的试验型小型水氢气体发生器采用PP板材与TC4钛板材为材料,试制了一种采用12个100*100*2极板的单极式水氢气体发生器。
发生器材料:作为绝缘基材,规格为100*100*2 的TC4钛板材作为电解极板,BVR 70M2电缆作为连线材料。
发生器设计:槽间距设计为3mm,且为11个微电解室平行组合。
电源选择:采用了480W数显开关电源,0至24V20A可调

发生器组合图 480W数显开关电源
对水氢气体发生器进行了性能测试
试验设计图
在完成对试验型水氢气体发生器的设计与试制之后,我小组同学对其的各个参数进行了测定。采用数字万用表对和数显可调开关电源对其电解电压与电流进行了检测,采用排水法对产气量进行测量
在本次试验中,试验机最大产气量为562L/h,最小产气量为100L/h, 在100L/h时单位气体耗能最少仅需2.70千瓦时即可产1立方水氢气体,仅为市面上最小功耗的70%。在产气量为562L/h时耗能最大,需3.44千瓦时可产1立方米水氢气体,为市面上最小功耗的86%。相比温州高企能源科技有限公司的CHG-1型机器,试验机可以达到节能60.4%的效果。
对操作界面进行了绘制并对操作功能进行的设计
主界面设计
操作界面设计
|
|
项目的创新点和特色
本项目通过对小型氢能源节能减排设备的设计,通过水氢发生器产生水氢气体,通入发动机中混合燃烧,从而达到节能减排的效果。
1.除积碳效率高成本低
采用拆机物理清洗的除碳方式对工人的技术要求高,并且会破坏发动机的完整性。而采用水氢气体除积碳,操作简单只需要将供气管与进气歧管相连接,点击屏幕按钮启动,设备即会自动进行除碳进程。并且可以从界面上直观的了解到运行进程。工人经过简单培训即可上岗,无需维护。相比人工拆机除碳需要10个工时,水氢气体除碳进程仅需15分钟。并且开始后无需人工干预。理论运行成本仅需2元
2.环保安全无危害
使用化学药剂腐蚀除碳,会对发动机气缸壁产生腐蚀,破坏气密性,甚至会导致发动机拉缸等彻底性的损坏。并且化学药剂产生的酸雾会对使用者的呼吸道产生极大的刺激,的废液会产生化学沾染,污染环境。对生态环境与操作者的健康产生了极大的威胁。水氢气体除碳过程中,只会产生无毒无味的水氢气体和水蒸气,对环境和人体没有任何损害。实现了资源节约型,环境友好型除碳
3.高效水氢气体发生器
采用了气液对流通道的设计从而减少了在极板上附着的气泡与发生器顶端聚集的气体,加快了电解液的流动补充速度与有效电解面积。大大提高了电解效率,和现有的水氢气体发生器相比可以用更小的电解极板面积达到更高的产气效率
因为极板上附着的气泡大量减少,电解液流速加大,所以我们将极板间的间距进一步缩小为2mm,其板间的电阻将会降低到市面现有设备内阻的20%-10%,测试试验机板件内阻的70%左右。大大降低了因为电解液内阻而产生的热能消耗。
采用高分子PP板材进行封装处理,使各个极板之间除了电解液部分达到完全绝缘,大大降低了漏电流,防止了漏电流产生的发生器的发热与电能消耗。
4.直观智能的人机交互平台与控制系统
与传统的模拟式按钮式操作不同。本项目设计应用的MCGS智能化操作平台,显示直观明了。采用了和PC机相似的操作模式,上手快。任何人经过数分钟的简单学习即可完全掌握。
智能化的控制系统,可以高效率的对水氢发生设备进行控制。可以一键运行,自动除碳,无需任何人工干预。极大的提高了效率,降低了人工成本。并且实时采集数据,对除碳参数进行自动反馈设置,同时以图形化的方式在交互平台上进行显示。
完善的安全系统,设备出现任何问题都将自动报警,进入安全模式。并且实时在交互平台上为操作者提供解决建议。出现异常情况时,采用蜂窝数据网络发送数据到厂家数据中心,从而让售后工程师提供在线支持
|
|
项目的技术路线及预期成果
第一阶段,第0-4个月,完善设备设计制造,
本项目计划设计制造的水氢气体发生器主要分为四个模块,水氢气体发生器,电解电源模块,液封防回火模块与散热除水模块。在最初的两个月中,我们将会完成对已经试制的水氢气体发生器进行完善,和已经初步设计的液封防回火模块与散热除水模块进行设计与制造,并且选取合适的电解电源。
1.对发生器的设计
完成本项目设计了一种低电压16个微电解室平行的气液导流电解制氢装置,装置采取耐高温和强腐蚀的PP材料封装成一个整体的发生器,将发生器浸泡到电解液中,是一种安全高效漏电流极低的新型制氢技术。其设计规格为:
a、槽间距设计为2mm,且为15个微电解室平行组合,用耐高温和强腐蚀的PP材料整体封装,体积小,漏电流少,效率高。
b、每个微电解室均有多个直径1.2mm导流孔,即电解过程中,利用电解槽上端的液体压力和气体压力低于电解槽下端的液体压力和气体压力,形成一个上下定向导流的电解环境,电解产生的氢气和氧气从上端流出电解室,利用压差从下端即时补充电解液。减少由于气体在电解室滞留的时间和量,达到减少电解室气阻,充分利用极板的电解面积以提高电解效率和减少电解室的自耗能。
c.采用高分子PP材料,提高产品耐用性,安全性,降低了产品质量与体积
d.采用了模块化,封装式设计,提高使用寿命,降低维护成本。技术路线
2.对液封防回火模块与散热除水模块进行的设计
防回火器是水氢气体发生设备中最重要的安全模块之一,众所周知,水氢气体热值高,易燃烧。而防回火器的作用则是在燃烧器前段发生回火情况之后起到阻隔火焰,防止损坏发生器内部结构的装置。防回火器需要具有较低的气体阻力,极高的耐压强度以应对回火情况与良好,散热性能防止机器过热并且要有极佳的耐腐蚀能力以防止碱型雾气与液体对设备的腐蚀。
a.液封防回火模块计划采用同轴多层液封防回火器设计,采用紧凑的设计从而实现设备的小型化
b.防回火器计划采用奥氏体不锈钢为主体材料,在保障耐压强度的同时提供极佳的耐腐蚀能力。从而防止回火对机体的损耗。
c.计划采用多级物理泄压与电子传感器相结合,在压力超标后自动停止产气进程。配合多级物理泄压阀从而100%的保障机器安全。
d.采用液体作用阻火材料,更好的降低了内部的气体阻力。并且利用液体的大比热容,防止过热的情况出现。并且可以进一步的对气体进行净化,提高气体纯度。
选取合适的电解电源
电解电源的选取将会极大的影响水氢发生器的能量转化效率,现在市面上多采用可控硅(大型产氢设备)或者使用铅酸电池(HHO DRY CELL)直流供电。可控硅成本较为低廉,但是发热巨大体积巨大。而铅酸电池功率底下。在试验中我们采用了500W的开关电源,但是也存在发热与功率不足的情况。在实际制造中我们计划采用IGBT电源,提供稳定的低压大电流输出。并且IGBT电源发热小,体积小,操作稳定。
第二阶段,第5-7个月,完成人机交互界面与控制系统的编写,安装与调试
人机交互界面和控制系统是该设备投入实际应用时的关键所在。良好的,人性化的人机交互系统可以为操作者提供良好的操作体验。而可靠的控制系统可以保障机器的稳定运行。
在人机交互计划采用mcgsTpc人机交互界面大屏幕LCD彩色触摸屏,监测系统由MCGS(HMI)软件组态,用于监控除碳的系统运行过程(汽油车除碳,柴油车除碳)。装有MCGS通用版系统软件,7寸的HMI画面,可实时监控负压信号、发生器压力、发生器液位、副水箱液位及各种变量的变化,系统有几个画面组成:系统总览画面、汽油车除碳主操作画面、柴油车除碳主操作画面、故障查询画面(包括车辆未准备好、发生器压力高、副水箱液位低、泵已停止运行、发生器液位低)、在线技术查询画面、计数查询画面,使操作员方便的监控除碳系统的运行。
画面主要功能有:
|
|
画面同步功能
|
HMI画面同步显示的负压信号、发生器压力、发生器液位、副水箱液位、除碳剂量,保持画面与控件实时同步,方便操作人员监视。
|
除碳时间控制
|
在人工操作状态下,操作员通过mcgsTpc键入所需的除碳时间,点击启动键除碳机即可自动运行,到达所预定的时间自动停止运行。
|
故障查询功能
|
操作人员观察到页面指示灯报警功能,通过故障查询按钮即可查询到相应解决方法,从而达到排除故障。
|
在线技术查询功能
|
故障查询里提供的方法不能解决问题时,可以通过拨打电话获得在线技术帮助。
|
页面等级控制功能
|
查询次数按钮受等级控制,等级不足要求输入密码登录,设置按钮可以设置各等级密码,但需要最高权限密码才能进入。
|
mcgsTpc在与除碳装置进行通讯设计
我们的操作系统将不仅能够实现除碳车辆、除碳时间、电压、密码等级的设置、监控和数据处理功能。还能通过局域网实现强大的通讯功能。如图所示
图1 除碳的远程控制
通过上位机与下位机局域网地址连接,使用标准RUT数据转发驱动,可以实现跨区域的局域网控制,让我们可以对各个除碳机进行实时的监控作用。真正实现智能系统与mcgsTpc触摸屏的完美结合。
第三阶段,第10-12个月,对水氢气体在发动机节能减排效果上测试
在第三个阶段,我们将会对水氢气体在发动机节能减排效果上的测试。测试将会分为三部分:1.验证水氢燃料对发动机的节能减排效果2.找出水氢燃料混合燃烧的最优组合。
内燃机中,汽油机和柴油机是最受到广泛应用的两类。而小排量汽油机与柴油机都因为其恶劣的排放情况而饱受诟病。
在我们的测试当中,我们计划分别采用一台125CC的钱江牌小型汽油发动机与常州ZS1100型15马力柴油发动机进行测试。
因为水氢气体节能减排是通过HHO与燃料的混合燃烧从而达到改良发动机工况的目的。所以如果要对发动机进行测试的前提条件就是发动机中要有一定程度的积碳。为了保障试验的准确性,我们将会采用人工堵塞排气管,长期高负荷低转速运作的方式。产生一定量的发动机积碳从而进行定量实验。
计划测试参数:CO HC NO 烟度
第四阶段,第13-14个月数据采集,论文撰写与对设备进行改良
论文的撰写,水氢气体发生设备的改良都少不了数据的收集与支持。在第四阶段,我们计划和企业合作,将氢能源发动机投入市场。通过在市场中的应用从而实现对大量数据的采集。并且对机器的稳定性与实用性进行测试。从而根据反馈的数据对操作流程进行改良。并根据实用者反馈的意见与实际出现的问题对机器进行改良。
并且组织相关材料,收集数据对论文进行撰写。
技术路线示意图
技术路线分析
除碳需求分析:通过在线的背景调查,资料采集与理论采集,结合数学建模对发动机内部的气体扩散燃烧模型与积碳的分解过程进行分析,得到发动机除碳过程对水氢气体的需求。
数学模型理论分析:建立数学模型,从原理上分析影响水氢气体发生器产气效率的因素,并提出切实可行的方法以提高产气效率。依据提出的改进方法,设计并且建立可行的水氢气体发生器产气模型
软件仿真分析: 采用建模软件与可视化分析软件,对水氢气体的发生过程进模拟和分析。
水氢气体发生器部分:依据数学计算、仿真分析、试验结果反馈进行结构的多次调整,使其达到最佳效果,以满足需求。
稳压控制部分:通过组合分析和对功率、散热、质量、与体积等实际需求选取合适的直流稳压电源。
安全保护部分:依据数学计算、仿真分析、试验结果反馈进行结构的多次调整,使其达到最佳效果,以满足需求。
自动化控制部分:运用PLC技术,它采用一类可编程的存储器,用于其内部存储程序,执行逻辑运算、顺序控制、定时、计数与算术操作等面向用户的指令,并通过数字或模拟式输入/输出控制各种类型的工作过程。最终实现整个机器工作的全自动
人机操控界面部分:通过触摸屏显示操纵按钮、位指示灯、数值显示从而实现对机器的操控、监视。
小型水氢气体节能减排设备整机装置:通过反复试验以及多次调整之后,得到优化结构,并设计与发动机的组合连接部分,能够达到实际应用的效果。
试验平台:试验平台为实验样机提供实验保障,测得相关数据并进行分析反馈 给设计环节以及理论分析。
预期成果
1.制作一台氢能源节能减排装置样机。
2.发表一篇关于氢能源除碳在内燃机节能减排技术上的应用的的论文到国内重点期刊。
3.争取申请关于水氢气体发生器的发明或实用新型专利1件。
年度目标和工作内容(分年度写)
2018年4-7月 完成设备设计制造
2018年8-11月 完成人机交互界面与控制系统的编写,安装与调试
2018年12-19.1月对水氢气体在发动机节能减排效果上测试
2019年2-4论文撰写与对设备进行改良
|
指导教师意见:
本项目具备新颖性、创造性、实用性,能够通过一定的技术能力完成,设计利用MCGS智能化操作平台,开发周期短、适用范围广、开发工具先进等优点来实现水氢气体在汽车节能减排,选题好。
签字: 日期:
|